Блок цилиндров [DC13], EN 6755064-6853055 SSS, EN 8208701-8259213 SLA
Блок цилиндров [DC13], EN 6853056- SSS, EN 8259214- SLA
Кожух маховика, Плита привода ГРМ [DC09/13], EN 6642368- SSS, EN 8155956- SLA
Поддон картера, Промежуточная рама, Пластмасса [DC13]
Промежуточная рама [DC13], EN -6642367 SSS, EN -8155955 SLA
В процессе
Полный комплект, Блок цилиндров в сборе
Комплект прокладок, Головка цилиндра, PDE [DC09/13A, DI09/13M]
Комплект прокладок, Головка цилиндра [DC13 143/177]
Комплект прокладок, Головка цилиндра [DC09/13 PDE]
Комплект прокладок, Головка цилиндра [D9 PDE, D11, D12, D16], EN -6642367 SSS, EN -8155955 SLA
Ремонтный комплект, Поршень и гильза цилиндра в сборе, [DC13 PDE]
Головка цилиндра, PDE, Этанол [D9]

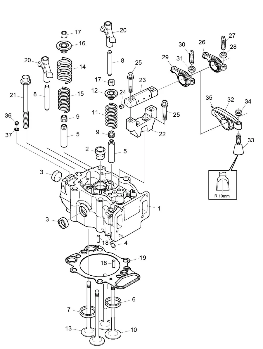
|
Поз. |
Номер зап: |
Примечание |
A |
Наименование |
||
|
2183414 |
X |
6 |
Головка цилиндра |
|||
|
570995 |
6 |
Головка цилиндра |
||||
|
1 |
nss |
1 |
• |
|||
|
2 |
1857051 |
1 |
••Форсунка |
|||
|
3 |
2326594 |
2 |
••Заглушка |
|||
|
4 |
1752972 |
ø 7 mm |
3 |
••Заклепка |
||
|
5 |
2819310 |
1925597 |
4 |
••Направляющая втулка клапана |
||
|
6 |
2188169 |
intake, std |
2 |
••Седло клапана |
Впуск |
|
|
2188170 |
1510400 intake, osz |
2 |
Седло клапана |
Впуск |
||
|
7 |
2040258 |
exhaust, std |
2 |
••Седло клапана |
||
|
2040259 |
exhaust, osz |
2 |
Седло клапана |
|||
|
8 |
1798631 |
2 |
•Палец |
|||
|
9 |
2225795 |
1920860 |
4 |
•Уплотнение штока клапана |
||
|
10 |
1887056 |
Nickel |
2 |
•Впускной клапан |
||
|
11 |
2865746 |
1519700 |
2 |
•Клапанная пружина |
Впуск |
|
|
12 |
1528550 |
intake |
2 |
•Шайба клапанной пружины |
||
|
13 |
2032823 |
2 |
•Выпускной клапан |
|||
|
14 |
2865748 |
1519702 |
2 |
•Клапанная пружина |
||
|
15 |
2865747 |
1519701 |
2 |
•Клапанная пружина |
||
|
16 |
2507734 |
1528551 |
2 |
•Шайба клапанной пружины |
||
|
17 |
1488787 |
8 |
•Сухарь клапана |
|||
|
18 |
803466 |
8x20 |
2 |
Палец |
||
|
19 |
1893055 |
1 |
Прокладка головки цилиндра |
|||
|
20 |
1919609 |
2 |
Траверса |
|||
|
21 |
2212238 |
6 |
Винт |
Головка цилиндра |
||
|
22 |
1487541 |
1 |
Опора вала |
|||
|
23 |
1895271 |
1 |
Вал |
|||
|
24 |
1436192 |
ø 6 mm |
1 |
•Заглушка |
||
|
25 |
1487542 |
4 |
Болт с плотной посадкой |
|||
|
26 |
1895270 |
intake |
1 |
Коромысло |
||
|
27 |
1481810 |
M10 |
1 |
•Регулировочный винт |
||
|
28 |
394640 |
M10 |
1 |
•Шестигранная гайка |
||
|
29 |
1895269 |
exhaust |
1 |
Коромысло |
||
|
30 |
1481810 |
M10 |
1 |
•Регулировочный винт |
||
|
31 |
394640 |
M10 |
1 |
•Шестигранная гайка |
||
|
32 |
1521889 |
injector |
1 |
Коромысло |
||
|
33 |
1863494 |
1 |
•Регулировочный винт |
|||
|
34 |
815115 |
M12x1,25 |
1 |
•Шестигранная гайка |
||
|
35 |
1440963 |
|
1 |
•Заглушка |
||
|
36 |
812369 |
M8x1x6 |
1 |
Резьбовая пробка |
||
|
37 |
2302651 |
1735681 ø 8 mm |
1 |
Уплотнение |
||
|
См. ссылку 01-99-6102 |
1 |
Комплект прокладок |
||||
|
Головка цилиндра |
||||||