Блок цилиндров
Блок цилиндров [DC13], EN 6755064-6853055 SSS, EN 8208701-8259213 SLA
Блок цилиндров [DC13], EN 6853056- SSS, EN 8259214- SLA
Кожух маховика, Плита привода ГРМ [DC09/13], EN 6642368- SSS, EN 8155956- SLA
Поддон картера, Промежуточная рама, Пластмасса [DC13]
Промежуточная рама [DC13], EN -6642367 SSS, EN -8155955 SLA
Система смазки
В процессе
Выпускной коллектор
В процессе
Турбокомпрессор
В процессе
Турбокомпаунд
В процессе
Впускной коллектор
В процессе
Воздухозаборник
В процессе
Ремонтный комплект
Полный комплект, Блок цилиндров в сборе
Комплект прокладок, Головка цилиндра, PDE [DC09/13A, DI09/13M]
Комплект прокладок, Головка цилиндра [DC13 143/177]
Комплект прокладок, Головка цилиндра [DC09/13 PDE]
Комплект прокладок, Головка цилиндра [D9 PDE, D11, D12, D16], EN -6642367 SSS, EN -8155955 SLA
Ремонтный комплект, Поршень и гильза цилиндра в сборе, [DC13 PDE]
Головка цилиндра [HPI], EN -6688853 SSS, EN -8173223 SLA
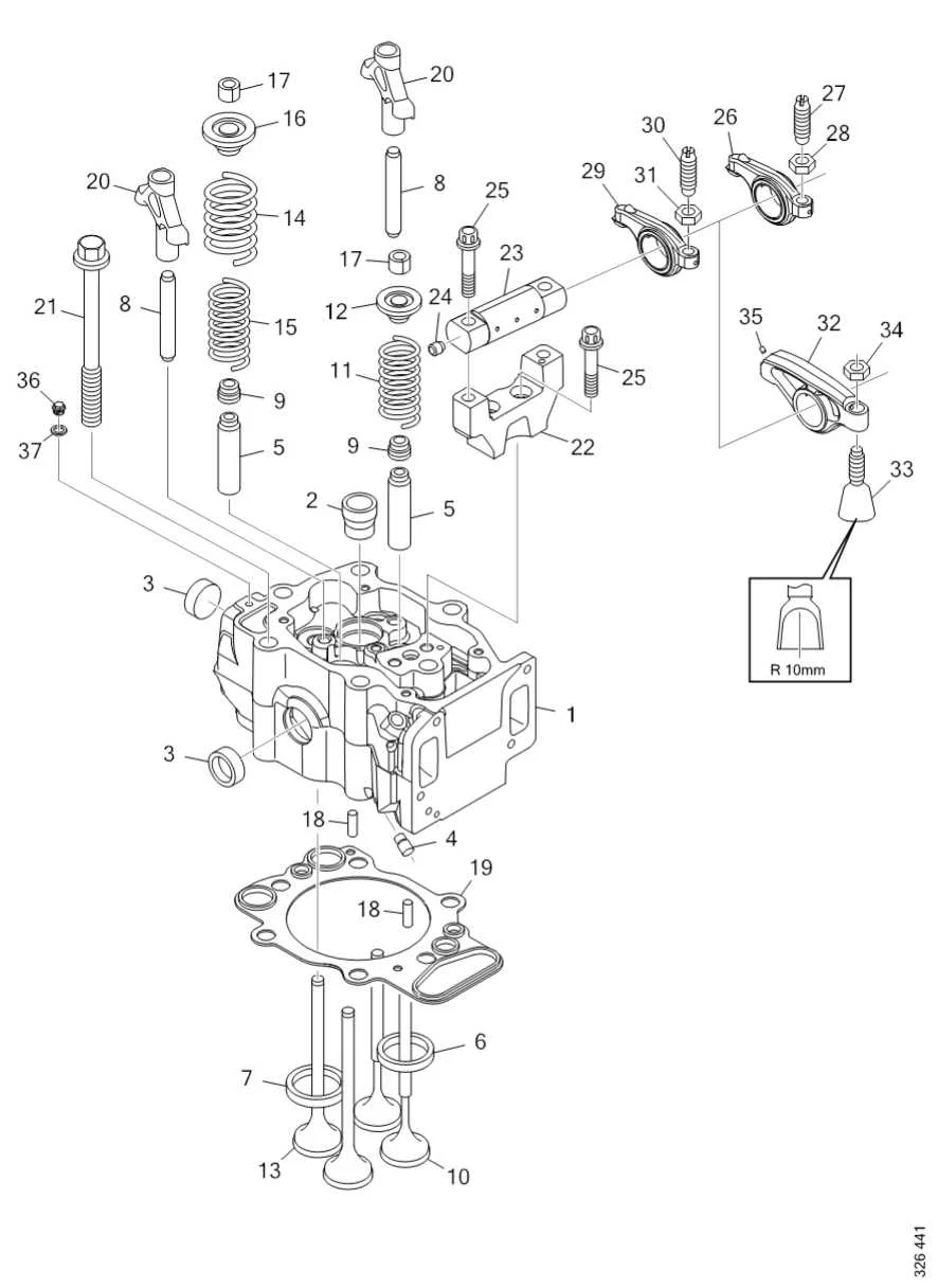
| Evgen | Головка цилиндров

| Поз. | Номер зап: | Примечание | A | Наименование | ||
| 1924437 | Головка цилиндра | |||||
| 570121 | 1 | Головка цилиндра | ||||
| 2 | 1857052 | 1 | •Втулка | |||
| 3 | 2326594 | 2160876 | 2 | •Заглушка | ||
| 4 | 1436193 | 1 | •Заглушка | |||
| 4 | 1436192 | 0 6 mm | 2 | •Заглушка | ||
| 5 | 2827104 | 1940008 | 4 | •Направляющая втулка клапана | ||
| 6 | 2188169 | 1510399 intake, std | 2 | •Седло клапана | Впуск | |
| 2188170 | 1510400 intake, osz | 2 | •Седло клапана | Впуск | ||
| 7 | 2008345 | exhaust, std | 2 | •Сменное седло клапана | ||
| 2008346 | exhaust, osz | 2 | •Сменное седло клапана | |||
| 8 | 1798631 | 2 | Палец | |||
| 9 | 1328563 | 4 | Уплотнение | |||
| 10 | 1785076 | EN -6411006 SSS EN -8125541 SLA | 2 | Впускной клапан | ||
| 10 | 1887056 | Nickel EN 6411007- SSS EN 8125542- SLA | 2 | Впускной клапан | ||
| 11 | 2865746 | 1519700 | 2 | Клапанная пружина | Впуск | |
| 12 | 1305723 | intake EN -6411006 SSS EN -8125541 SLA | 2 | Шайба клапанной пружины | ||
| 12 | 1528550 | intake EN 6411007- SSS EN 8125542- SLA | 2 | Шайба клапанной пружины | ||
| 13 | 1791152 | EN -6411006 SSS EN -8125541 SLA | 2 | Выпускной клапан | ||
| 13 | 1781847 | EN 6411007- SSS EN 8125542- SLA | 2 | Выпускной клапан | ||
| 14 | 2865748 | 1519702 | 2 | Клапанная пружина | ||
| 15 | 2865747 | 1519701 | 2 | Клапанная пружина | ||
| 16 | 1305724 | exhaust EN -6411006 SSS EN -8125541 SLA | 2 | Шайба клапанной пружины | ||
| 16 | 2507734 | 1528551 EN 6411007- SSS EN 8125542- SLA | 2 | Шайба клапанной пружины | ||
| 17 | 377338 | EN -6411006 SSS EN -8125541 SLA | 8 | Сухарь клапана | ||
| 17 | 1488787 | EN 6411007- SSS EN 8125542- SLA | 8 | Сухарь клапана | ||
| 18 | 803466 | 8x20 | 2 | Палец | ||
| 19 | 1893054 | 1892765 | 1 | Прокладка головки цилиндра | ||
| 20 | 1919609 | 2 | Траверса | |||
| 21 | 2212238 | 1852442 | 6 | Винт | Головка цилиндра | |
| 22 | 1487541 | 1 | Опора вала | |||
| 23 | 1520439 | EN -6427920 SSS EN -8139733 SLA | 1 | Вал | ||
| 23 | 1895271 | EN 6427921- SSS EN 8139734- SLA | 1 | Вал | ||
| 24 | 1436192 | 0 6 mm | 1 | •Заглушка | ||
| 25 | 1487542 | 4 | Болт с плотной посадкой | |||
| 26 | 1438752 | intake | 1 | Коромысло | ||
| 26 | 1895270 | intake EN 6427921- SSS EN 8139734- SLA | 1 | Коромысло | ||
| 27 | 1481810 | M10 | 1 | •Регулировочный винт | ||
| 28 | 394640 | M10 | 1 | •Шестигранная гайка | ||
| 29 | 1438755 | exhaust | 1 | Коромысло | ||
| 29 | 1895269 | exhaust EN 6427921- SSS EN 8139734- SLA | 1 | Коромысло | ||
| 30 | 1481810 | M10 | 1 | •Регулировочный винт | ||
| 31 | 394640 | M10 | 1 | •Шестигранная гайка | ||
| 32 | 1521889 | injector | 1 | Коромысло | ||
| 33 | 1863494 | 1 | •Регулировочный винт | |||
| 34 | 815115 | M12x1,25 | 1 | •Шестигранная гайка | ||
| 35 | 1440963 | 1 | •Заглушка | |||
| 36 | 812369 | M8x1x6 | 1 | Резьбовая пробка | ||
| 37 | 2302651 | 1735681 0 8 mm | 1 | Уплотнение | ||
| 1886246 | EN 6411007- SSS EN 8125542- SLA | 1 | Ремонтный комплект | |||
| EN 6411007- SSS EN 8125542- SLA | Впускной клапан | |||||
| 12 | 1528550 | intake EN 6411007- SSS EN 8125542- SLA | 1 | •Шайба клапанной пружины | ||
| 17 | 1488787 | EN 6411007- SSS EN 8125542- SLA | 2 | •Сухарь клапана | ||
| 9 | 1328563 | EN 6411007- SSS EN 8125542- SLA | 1 | •Уплотнение | ||
| 11 | 2865746 | 1519700 EN 6411007- SSS EN 8125542- SLA | 1 | •Клапанная пружина | Впуск | |
| 10 | 1887056 | Nickel EN 6411007- SSS EN 8125542- SLA | 1 | •Впускной клапан | ||
| EN 6411007- SSS EN 8125542- SLA | ||||||
| 1886247 | EN 6411007- SSS EN 8125542- SLA | 1 | Ремонтный комплект | |||
| EN 6411007- SSS EN 8125542- SLA | Выпускной клапан | |||||
| 16 | 2507734 | 1528551 EN 6411007- SSS EN 8125542- SLA | 1 | •Шайба клапанной пружины | ||
| 17 | 1488787 | EN 6411007- SSS EN 8125542- SLA | 2 | •Сухарь клапана | ||
| 9 | 1328563 | EN 6411007- SSS EN 8125542- SLA | 1 | •Уплотнение | ||
| 15 | 2865747 | 1519701 EN 6411007- SSS EN 8125542- SLA | 1 | •Клапанная пружина | ||
| 14 | 2865748 | 1519702 EN 6411007- SSS EN 8125542- SLA | 1 | •Клапанная пружина | ||
| 13 | 1781847 | EN 6411007- SSS EN 8125542- SLA | 1 | •Выпускной клапан | ||
| 1725112 |
См. ссылку 01-99-5100 |
1 | Комплект прокладок | |||
| Головка цилиндра | ||||||