Блок цилиндров
Блок цилиндров [DC13], EN 6755064-6853055 SSS, EN 8208701-8259213 SLA
Блок цилиндров [DC13], EN 6853056- SSS, EN 8259214- SLA
Кожух маховика, Плита привода ГРМ [DC09/13], EN 6642368- SSS, EN 8155956- SLA
Поддон картера, Промежуточная рама, Пластмасса [DC13]
Промежуточная рама [DC13], EN -6642367 SSS, EN -8155955 SLA
Система смазки
В процессе
Выпускной коллектор
В процессе
Турбокомпрессор
В процессе
Турбокомпаунд
В процессе
Впускной коллектор
В процессе
Воздухозаборник
В процессе
Ремонтный комплект
Полный комплект, Блок цилиндров в сборе
Комплект прокладок, Головка цилиндра, PDE [DC09/13A, DI09/13M]
Комплект прокладок, Головка цилиндра [DC13 143/177]
Комплект прокладок, Головка цилиндра [DC09/13 PDE]
Комплект прокладок, Головка цилиндра [D9 PDE, D11, D12, D16], EN -6642367 SSS, EN -8155955 SLA
Ремонтный комплект, Поршень и гильза цилиндра в сборе, [DC13 PDE]
Головка цилиндра [PDE]
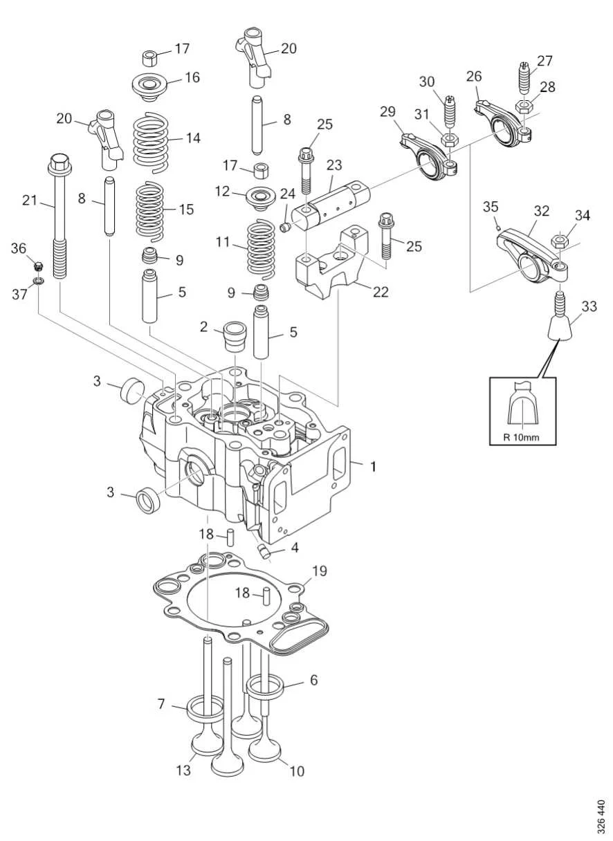
| Evgen | Головка цилиндров

| Поз. | Номер зап: | Инф. | Примечание | A | Наименование | |
| 1909203 | assy | 1 | Головка цилиндра | |||
| 570997 | 570123 D9/11/12 | 1 | Головка цилиндра | |||
| 574374 | D16 | 1 | Головка цилиндра | |||
| 2609859 | 2081239 assy | 1 | Головка цилиндра | |||
| 570997 | 1 | Головка цилиндра | ||||
| 1909203 | assy | 1 | Головка цилиндра | |||
| 570997 | 570123 D9/11/12 | 1 | Головка цилиндра | |||
| 574374 | D16 | 1 | Головка цилиндра | |||
| 2183414 | 2005246 assy | 1 | Головка цилиндра | |||
| 570995 | EN -6882815 SSS | 1 | Головка цилиндра | |||
| 2183414 | assy | 1 | Головка цилиндра | |||
| 570995 | 1 | Головка цилиндра | ||||
| 1 | nss | 1 | •Головка цилиндра | |||
| 2 | 1857051 | 1365196 | 1 | ••Форсунка | ||
| 3 | 2326594 | 2160876 | 2 | ••Заглушка | ||
| 4 | 1752972 | 1743127 ø7 mm | 3 | ••Заклепка | ||
| 5 | 2819310 | 1925597 | 4 | ••Направляющая втулка клапана | ||
| 5 | 1403823 | 4 | ••Направляющая втулка клапана | |||
| 5 | 2827104 | 1940008 | 4 | ••Направляющая втулка клапана | ||
| 6 | 2188169 | 1510399 intake, std | 2 | ••Седло клапана | Впуск | |
| 2188170 | 1510400 intake, osz | 2 | ••Седло клапана | Впуск | ||
| 7 | 2008345 | exhaust, std 45° | 2 | ••Сменное седло клапана | ||
| 2008346 | exhaust, osz 45° | 2 | ••Сменное седло клапана | |||
| 7 | 2040258 | exhaust, std 30° | 2 | ••Седло клапана | ||
| 2040259 | exhaust, osz 30° | 2 | ••Седло клапана | |||
| 8 | 1798631 | 803509 | 2 | •Палец | ||
| 9 | 1328563 | EN -6647497 SSS EN -8160932 SLA | 4 | •Уплотнение | ||
| 9 | 2225795 | 1920860 EN 6647498- SSS EN 8160933- SLA | 4 | •Уплотнение штока клапана | ||
| 10 | 1887056 | Nickel EN -6882815 SSS | 2 | •Впускной клапан | ||
| 10 | 1887056 | Nickel EN 6882816- SSS | 2 | •Впускной клапан | ||
| 10 | 2110655 | 2 | •Впускной клапан | |||
| 11 | 2865746 | 1519700 | 2 | •Клапанная пружина | Впуск | |
| 12 | 1528550 | intake | 2 | •Шайба клапанной пружины | ||
| 13 | 1781847 | 45° CH -2069592 SSS CH -5276133 SNL CH -9162862 SAN CH -3803815 SLA | 2 | •Выпускной клапан | ||
| 13 | 2427636 | 2026052 30° CH 2069593- SSS CH 5276134- SNL CH 9162863- SAN CH 3803816- SLA | 2 | •Выпускной клапан | ||
| 13 | 2032823 | 30° CH 2069593- SSS CH 5276134- SNL CH 9162863- SAN CH 3803816- SLA | 2 | •Выпускной клапан | ||
| 13 | 2290726 | 30° Для российского рынка EN -6882815 SSS | 2 | •Выпускной клапан | ||
| 13 | 2427636 | 30° EN 6882816- SSS | 2 | •Выпускной клапан | ||
| 14 | 2865748 | 1519702 | 2 | •Клапанная пружина | ||
| 15 | 2865747 | 1519701 | 2 | •Клапанная пружина | ||
| 16 | 2507734 | 1528551 | 2 | •Шайба клапанной пружины | ||
| 17 | 377338 | EN -6604403 SSS EN -8126571 SLA | 8 | •Сухарь клапана | ||
| 17 | 1488787 | Для поворотных клапанов EN 6604404- SSS EN 8126572- SLA | 8 | •Сухарь клапана | ||
| 17 | 377338 | DC16 EN -1073508 SSS | 8 | •Сухарь клапана | ||
| 17 | 1488787 | DC16 Для поворотных клапанов EN 1073509- SSS | 8 | •Сухарь клапана | ||
| 18 | 803466 | 8x20 | 2 | Палец | ||
| 19 | 1893054 | 1892765 CH -2048153 SSS CH -5228119 SNL CH -9142884 SAN CH -3648292 SLA | 1 | Прокладка головки цилиндра | ||
| 19 | 1893054 | 1892765 Поколение блока цилиндров 1 CH 2048154- SSS CH 5228120- SNL CH 9142885- SAN | 1 | Прокладка головки цилиндра | ||
| 19 | 1893055 | 1892766 Поколение блока цилиндров 2 | 1 | Прокладка головки цилиндра | ||
| 1892768 | osz 2mm D9/11/12/16 PDE | 1 | Прокладка | |||
| 20 | 1919609 | 1860186 | 2 | Траверса | ||
| 21 | 2212238 | 1852442 | 6 | Винт | Головка цилиндра | |
| 22 | 1487541 | 1 | Опора вала | |||
| 23 | 1501092 | D16 | 1 | Вал | ||
| 23 | 1520439 | D9/11/12 EN -6427920 SSS EN -8139733 SLA | 1 | Вал | ||
| 23 | 1895271 | D9/11/12/13 EN 6427921- SSS EN 8139734- SLA | 1 | Вал | ||
| 24 | 1436192 | 0 6 mm | 1 | •Заглушка | ||
| 25 | 1487542 | 4 | Болт с плотной посадкой | |||
| 26 | 1438752 | intake D16 | 1 | Коромысло | ||
| 26 | 1438752 | intake D9/11/12 | 1 | Коромысло | ||
| 26 | 1895270 | intake D9/11/12/13 EN 6427921- SSS EN 8139734- SLA | 1 | Коромысло | ||
| 27 | 1481810 | M10 | 1 | •Регулировочный винт | ||
| 28 | 394640 | M10 | 1 | •Шестигранная гайка | ||
| 29 | 1438755 | exhaust D16 | 1 | Коромысло | ||
| 29 | 1438755 | exhaust D9/11/12 | 1 | Коромысло | ||
| 29 | 1895269 | exhaust D9/11/12/13 EN 6427921- SSS EN 8139734- SLA | 1 | Коромысло | ||
| 30 | 1481810 | M10 | 1 | •Регулировочный винт | ||
| 31 | 394640 | M10 | 1 | •Шестигранная гайка | ||
| 32 | 1521889 | injector | 1 | Коромысло | ||
| 33 | 1863494 | 1534642 | 1 | •Регулировочный винт | ||
| 34 | 815115 | M12x1,25 | 1 | •Шестигранная гайка | ||
| 35 | 1440963 | 1 | •Заглушка | |||
| 36 | 812369 | 812467 M8x1x6 | rq | Резьбовая пробка | ||
| 37 | 2302651 | 1735681 0 8 mm | rq | Уплотнение | ||
| 1725112 | Поколение блока цилиндров 1 EN -6642367 SSS EN -8155955 SLA См. ссылку 01-99-5100 | 1 | Комплект прокладок | |||
| EN -6642367 SSS EN -8155955 SLA | • | |||||
| 1725112 | EN 6642368- SSS EN 8155956- SLA См. ссылку 01-99-5102 | 1 | Комплект прокладок | |||
| EN 6642368- SSS EN 8155956- SLA | • | |||||
| 2117945 | EN -6814699 SSS См. ссылку 01-99-5103 | 1 | Комплект прокладок | |||
| 2308200 | EN 6814700- SSS См. ссылку 01-99-5103 | 1 | Комплект прокладок |